For a workpiece, if both its outer surface and the side need to be processed, a side milling should be selected. And the most commonly used is right-angle milling head. It is mainly used for milling, drilling, but may not be suitable for boring that has high precision requirement.
Right-angle milling head is divided into two kinds: high speed( max. output seed is 2000rpm), low speed( max. output speed is 800rpm). Due to its wide application scope, the high speed right-angle milling head is usually preferred by the customers. While low speed right-angle milling head is applicable when you require high torque output to process a large flat or large holes. As for the price, high-speed right-angle milling head is 50% higher than the low speed one.
The quote for right-angle milling head contains the connection plate that connects right-angle milling head and spindle, but the support bracket used in installing the right-angle milling head is sold separately.
Support bracket is usually installed inside the metal shield shell of the machine. But it can also be installed outside the machine and when needed it can be moved into the machine by a particular part.
Under the condition of skilled operation, the whole process of right-angle milling head installation takes about 10 minutes.
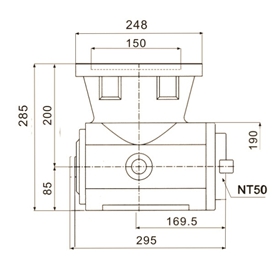
Note:the side height that GS mini gantry machine can process is about 350mm surface down of the workpiece, too large the depth may cause interference between the sheet metal of spindle box and the workpiece. The above data is only for reference, and the data differs due to the large difference of shape of the workpiece. Please contact Datan sales engineer for accurate data. Also, due to different forms and functions of the side milling head, please also contact them for other forms of side milling head if necessary.






















